Berita mengenai ledakan tabung gas masih saja kita dengar hingga sekarang, baik di media cetak maupun elektronik. Padahal penerapan bahan bakar dan teknologinya terbilang tidak bisa dikatakan baru. Walaupun seyogyanya semakin lama penggunaan gas sebagai bahan bakar diikuti pula dengan kematangan keamanan. Inilah yang mendorong pemerintah menetapkan standar keselamatan sekaligus wajib SNI , terutama untuk karet seal regulator gas, SNI 7665:2010.
Ada banyak faktor yang menyebabkan ledakan tabung gas. Kebanyakan berupa kelalaian pengguna serta kesalahan pabrikan atau komponen yang buruk. Pengendalian atas kedua faktor tadi tidak bisa sepenuhnya dilakukan. Baik produsen maupun konsumen hanya dapat meminimalisir risiko yang mungkin terjadi.
Dari sisi konsumen, menghindari ledakan tabung gas salah satunya dapat dilakukan dengan cara mengidentifikasi awal mula pemicu kejadian. Beberapa parameter yang dapat dijadikan acuan sebagai penanda bahwa sistem kompor tidak berjalan dengan baik dapat berupa :
Daftar isi
Bau Gas
Aroma belerang merupakan parameter pertama yang dapat dijadikan patokan. Seseorang yang menemukan tanda saat di dapur sebaiknya menghentikan aktivitas dan melepas sambungan antara kompor dan tabung gas. Namun apabila muncul kabut putih di sekitar ruangan, sebaiknya segera menghindar atau menyelamatkan diri.
Sebab, pemandangan ini pertanda bahwa ada pelepasan gas dalam jumlah besar yang secara tiba-tiba. Percikan api atau bahkan kabel terkelupas yang dialiri listrik sudah dapat menimbulkan ledakan tabung gas.
Terdengar Desis
Saat memasak atau beraktivitas di dapur kita perlu menajamkan sejumlah indera kita dalam mendeteksi sejumlah potensi risiko di sekeliling. Suara desis di kompor dapat berarti terjadi kebocoran pada sistemnya. Terlebih desis itu diikuti dengan bau belerang yang menyengat.
Maka yang perlu dilakukan adalah segera melepas sambungan antara kompor dan tabung. Jika memungkinkan, periksa sumber suara desis tersebut. Sebab, besar kemungkinan dari sanalah kebocoran tersebut berasal.
Api Berwarna Oranye Kemerah-merahan
Kompor gas yang berfungsi dengan baik sewajarnya berwarna biru. Warna tersebut menandakan bahwa campuran antara aliran gas dan oksigen sudah tepat. Api berwarna oranye kemerah-merahan menandakan gejala kebocoran. Menghentikan penggunaan dan segera memperbaiki atau mengganti komponen penyebab masalah adalah hal yang perlu dilakukan.
Boros
Memperhatikan lamanya penggunaan sebuah tabung gas adalah salah satu cara untuk mendeteksi ketidakberesan pada sistem. Merasakan keborosan pada saat penggunaan merupakan salah satu indikasi ada kerusakan pada sistem. Selain mengganggu anggaran, keborosan juga merupakan parameter terjadinya kebocoran.
Mengetahui parameter juga harus diikuti dengan antisipasi berupa tindakan-tindakan. Sehingga risiko yang muncul nantinya dapat dihindari seminim mungkin.
Tips Mencegah Ledakan Tabung Gas

Berikut adalah beberapa cara yang bisa dilakukan untuk meminimalisir risiko yang mungkin terjadi akibat penggunaan bahan bakar liquid propane gas (LPG).
Memastikan peralatan yang terpasang sesuai
Memasang komponen pada kompor membutuhkan ketelitian dan perhatian ekstra. Seseorang perlu memeriksa tiap sambungan yang ada pada tiap bagian terpasang erat dan benar. Sebab pemasangan yang benar dapat secara signifikan mengurangi risiko yang mungkin muncul. Apabila ragu dengan kemampuan sendiri, mendatangkan seseorang yang mahir bisa menjadi pilihan.
Peralatan yang terpasang pun perlu diperiksa berkala, apakah terjadi malfungsi, aus, bolong, berkarat, dan keadaan yang tak sesuai lainnya. Apabila komponen yang dipasang dirasa meragukan, sebaiknya ganti dengan yang baru sebelum menimbulkan risiko.
Perhatikan cek kedalurasa tabung gas saat membeli. Penanda tersebut berupa “alfa code” yang terdiri dari A untuk Januari hingga Maret; B untuk April hingga Juni; C untuk Juli hingga September; dan D Oktober sampai Desember. Semisal pada tabung tertulis B 22 berarti hal ini menandakan April sampai Juni 2022.
Pemberian jarak antara tabung dengan sumber panas
Memberikan jarak antara sumber panas dan tabung adalah salah satu cara mitigasi apabila kebocoran terjadi. Jarak tersebut berguna apabila gas yang keluar tidak segera merambat ke api yang menyebabkan kebakaran.
Pengaturan sirkulasi udara yang baik
Kebanyakan tragedi ledakan gas bermula dari sirkulasi udara yang buruk. Gas terkonsentrasi pada suatu ruangan tertutup menyebabkan terjadinya ledakan yang biasanya masif. Berbeda halnya apabila ventilasi dapur yang baik, meskipun terjadi kebocoran, gas yang bercampur udara keluar-masuk memiliki kemungkinan kecil untuk menjadi api.
Membeli dan menggunakan alat sesuai Standar Nasional Indonesia (SNI)
Langkah terakhir ini sebenarnya ditempatkan di awal. Sebab, membeli dan menggunakan alat sesuai SNI bisa memberikan jaminan keamanan, keselamatan, kesehatan, dan perlindungan terhadap lingkungan.
Pasalnya label SNI tidak sekadar penanda, namun ada beberapa persyaratan yang harus dipenuhi pabrikan, produsen, maupun distributor untuk mendapatkannya.
Seseorang tidak perlu meluangkan waktu, tenaga, dan pikiran untuk riset produk yang sudah SNI. Cukup mendatangi Bang Beni, website daftar produk untuk mengetahui produk mana saja yang telah memiliki standar.
Terkait dengan keamanan dari ledakan tabung gas, pemicu yang muncul dari komponen bisa datang dari karet seal regulator gas yang tidak berfungsi atau sesuai. Ketidaksesuaian tersebut dapat menyebabkan gas keluar dan terjadinya kebakaran.
Pemerintah Indonesia melalui Peraturan Menteri Perindustrian Republik Indonesia Nomor 84/M-IND/PER/9/2015 bahwa karet perapat (rubber seal) pada katup tabung LPG wajib SNI. Artinya adalah kareat seal regulator gas yang diedarkan di Indonesia harus memenuhi standar.
Badan Standarisasi Nasional (BSN) sebagai badan yang berwenang dalam mengembangkan dan memelihara standar mengeluarkan aturan terkait karet seal regulator gas. Adalah SNI 7665:2010 sebagai persyaratan keselamatan dan sekaligus guna penerapan SNI 1591:2008 tentang katup tabung baja LPG.
Standar yang diterapkan ini untuk melindungi konsumen dari kualitas yang buruk serta memacu peningkatan kualitas produksi dalam negeri, sekaligus memberikan jaminan keselamatan saat penggunaan.
Kelebihan Karet Seal Regulator Gas SNI
Pemenuhan persyaratan ini secara langsung meningkatkan performa dari karet perapat. Artinya adalah konsumen mendapatkan mutu barang yang sesuai dengan standar tersebut. Adapun kelebihan karet seal regulator gas SNI terdiri dari :
Kesesuaian Ukuran

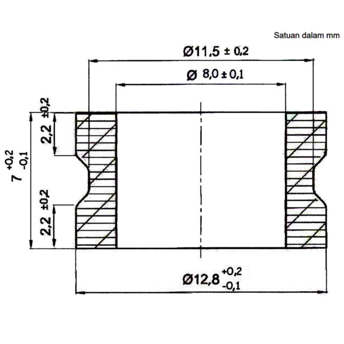
Karet yang digunakan pada regulator ini dapat dipastikan sesuai, tidak kendur ataupun longgar. Sebab standar ini juga meregulasi dimensi atau besaran dari karet. Sehingga dapat dipastikan akan sesuai dengan tabung 3 hingga 14 kg yang dijual di Indonesia Dimensi dari karet seal regulator gas diukur dengan perhitungan milimeter yang diberikan toleransi antara 0,1 hingga 0,2 mm.
Durabilitas
Produk yang mendapatkan wajib SNI ini sebelumnya telah lulus dalam beberapa pengujian. Pengujian kekerasan misalnya yang mengacu pada standar internasional seperti ASTM dan ISO; Uji kuat tarik dan perpanjangan putus yang mengacu ISO 37:2010; Pengujian pampatan tetap yang diuji selama 3 hari dengan temperatur yang berbeda-beda; Uji pengusangan yang dipercepat dan ketahanan panas yang mengikuti ketentuan standar internasional; Pengujian stress relaxation yang diuji selama 7 hari di suhu yang gradual meningkat; Uji resistensi terhadap cairan tertentu; dan pengujian resistensi terhadap ozon sesuai dengan ISO 1431-1. Pengujian yang dilakukan terhadap sampel produk tidak boleh merubah dimensi ataupun fungsi dari karet seal regulator gas.
Dari pengujian tersebut konsumen dapat mengambil kesimpulan bahwa produk tersebut terjamin mutu durabilitas karena sudah melewati pengujian dengan berbagai metode.
Kejelasan Komposisi
Dengan menggunakan karet seal regulator gas ber SNI, konsumen juga dapat mengetahui spesifikasi tervalidasi lewat kemasan. Sebab, standar ini menyaratkan produk untuk memberikan tanda yang mudah dibaca, dilihat, dan tidak lekas hilang. Adpaun dalam persyaratan ini minimal harus memenuhi :
- Nama pembuat atau singkatann, atau merk
- Bulan dan tahun produksi
- Tanda dan nomor SNI
- Jumlah produk
- Negara Pembuat
Penutup – Kesimpulan

SNI 7665:2010 dikembangkan dan dipelihara dalam rangka pemenuhan kebutuhan konsumen akan mutu dan keselamatan. Standar ini berisikan sejumlah persyaratan yang harus dipenuhi oleh produsen, pabrikan ataupun distributor karet seal regulator gas sebelum mengedarkan produknya di wilayah Indonesia.
Keberadaan standar ini dapat meminimalisir risiko ledakan tabung gas yang diakibatkan kebocoran gas pada regulator. Disamping usaha-usaha lainnya yang dilakukan pengguna untuk keselamatan saat penggunaan.
Produsen, distributor, sekaligus importir karet seal regulator gas juga harus mendukung penerapan wajib SNI ini. Disamping mampu meningkatkan kesan baik terhadap konsumen yang disebabkan kepatuhan label SNI, produsen juga diuntungkan dengan peningkatan mutu yang menambah nilai jual dan daya saing produk.
Apabila membutuhkan sertifikasi SNI, kami sebagai konsultan siap untuk bersinergi dalam memberikan solusi dan rekomendasi selama proses berlangsung. Terima kasih.
Editor: UN.


















Leave a Comment